


产品中心
Product Center -
酸碱储罐
2025-05-15 15:46:20
产品详情
简介:
酸碱储罐是存放酸、碱溶液的钢制罐体。
1:盐酸储罐存储介质为HCL,浓度一般在30%左右,盐酸储罐内部衬天然橡胶已达到防止盐酸与储罐壳体接触的目的。
2:浓硫酸(98%以上)储罐存储的介质为98%的浓硫酸,浓硫酸具有强氧化性,会与等钢材发生钝化作用,形成一种致密性的钝化膜(金属氧化物薄膜),起到隔绝反应物的作用,?;つつ诘慕橹什辉儆牍尢宀Х从?,起到很好的储存浓硫酸介质的作用。
3:稀硫酸是指溶质质量分数小于或等于70%的硫酸的水溶液,稀硫酸储罐内部衬四氟乙烯或塑料已达到防止稀硫酸与储罐壳体接触的目的。
4:碱储罐存储介质为NaOH,由于NaOH与钢材不发生化学反应所以内部防腐可以衬胶也可以不衬胶。
技术参数:
工作压力:常压
工作温度:常温
规格:2立方米-50立方米
设备照片:


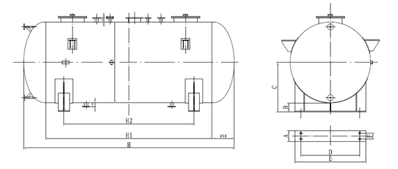
酸碱储罐尺寸规格表:

